Zum Hauptinhalt springen Zur Suche springen Zum Menü springen

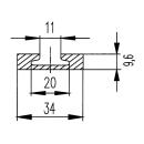
Airline-Zurrschiene Alu L 2998 mm gebohrt B 34 mm, H 9,6 mm

Airline Zurrschienen Alu L 2998 mm

Typ 
101,11 €
inkl. 19% USt. , zzgl. Versand