KNOTT Bremsstummel bis 1500 kg zum Anschweißen Bremse 200 x 50 mit Rückfahrautomatik
zul. Achslast Einachs: 1500 kg
Radbremse: 20-2425/1
Radanschluss: 112 x 5
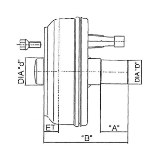
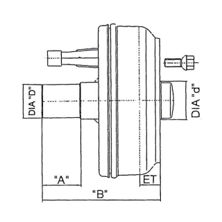
Maße in mm: D 49 x A 90 x B 180
Angaben zur Produktsicherheit
Herstellerinformationen:
KNOTT
Obinger Straße 15
Eggstätt, Deutschland, 83125
info@knott.de
https://www.knott.de/